National Service Hotline:
0755-21000751
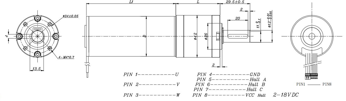
General Technical Parameters of Gearbox
| No.: | ITEM | Material & Processing Technology |
| 1 | Ring Gear | S45C,Power Sintered |
| 2 | Pinion | S45C |
| 3 | Planet Carrier | Power Sintered |
| 4 | Planet Gear | Power Sintered |
| 5 | Output Shaft | S45C |
| 6 | Install Flange | Zinc Alloy |
| 7 | Connection Plate | Zinc Alloy |
| 8 | Gear Kind | Spur Gear |
| 9 | Type of Box | NGW Planetery Gearbox |
| 10 | Diameter | φ42mm |
| 11 | Modulus | M=0.6 |
| 12 | Stages Available | 1.2.3.4 |
| 13 | Bearing Type | Sleeve, Ball Bearing |
| 14 | Max Radial Force | ≤300N |
| 15 | Max Axial Force | ≤150N |
| 16 | Axial Play | 0.3mm Max |
| 17 | Radial Play(10mm from Flange) | 0.05 Max |
| 18 | No Load Backlash | ≤2.0° |
| 19 | Operation Temperature Range | -20℃~80℃(Can be Customized) |
| 20 | Operation Relative Humidity | 20%RH~90%RH |
| 21 | Protection Level | IP54(Without Motor) |
| Note: Gearbox can be customized according to the requirements | ||
Reduction Ratio
| Stage | Ratio(X:1) | Length | Rated Torque | Short time Torque | Efficiency Max. | ||
| 1 | 3.67 | 4.2 | 5.00 | 33.5 | 0.5~5kg.cm | 20kg.cm | 94% |
| 2 | 13.44 | 15.40 | 17.64 | 43.5 | 0.5~25kg.cm | 60kg.cm | 88% |
| 18.33 | 21.00 | 25.00 | |||||
| 3 | 49.30 | 56.47 | 64.68 | 53.5 | 0.5~80kg.cm | 150kg.cm | 83% |
| 67.72 | 74.09 | 77.00 | |||||
| 88.20 | 91.67 | 105.00 | |||||
| 125.00 | |||||||
| 4 | 180.76 | 207.05 | 237.16 | 63.5 | 0.5~120kg.cm | 200kg.cm | 78% |
| 246.49 | 271.66 | 282.34 | |||||
| 311.17 | 323.4 | 336.12 | |||||
| 370.44 | 385.00 | 441.00 | |||||
| 458.34 | 525.00 | 625.00 | |||||
| The rated torque in the table is the product of dc motor rated torque,gearbox ratio and efficiency,rather than gearbox rated torque. The highest torque of gearbox refers to max stage short time torque.At rated torque, the gearbox generates reliable output performance, however, the life time shall subjectto the real working cycle condition in the site(for example, at the same rated torque, the slower the speed,the slower the wearing out and the longer the life time. Customized motor specs, shaft and encoder service is available. | |||||||
Coreless Brushless
Motor Specs
| Model | Nominal Voltage | No Load | Load at Max Eff | Output Power | Eff. | Stall | D*L1 | ||||
| V DC | RPM | mA | rpm | g.cm | mA | W | % | A | g.cm | mm | |
| CL4058 | 12 | 8020 | 325 | 6725 | 850 | 6330 | 59.8 | 82 | 37.5 | 5270 | φ40*58 |
| 24 | 7920 | 163 | 6710 | 850 | 3130 | 59.7 | 82.6 | 19.6 | 5580 | ||
| 36 | 7980 | 110 | 6745 | 850 | 2100 | 60 | 82.5 | 13 | 5510 | ||
| 48 | 8010 | 87 | 6790 | 850 | 1590 | 60.4 | 82.2 | 9.95 | 5590 | ||
| CL4070 | 24 | 6088 | 140 | 5130 | 1300 | 3620 | 69.8 | 84.8 | 22.2 | 8260 | φ40*70 |
| 48 | 6130 | 68 | 5215 | 1300 | 1820 | 71 | 85.4 | 11.7 | 8670 | ||
| CL4088 | 36 | 7970 | 100 | 7188 | 2000 | 4740 | 150.5 | 91.2 | 47.4 | 20340 | φ40*88 |
| 48 | 10700 | 650 | 9576 | 3020 | 7780 | 244.4 | 83 | 68.6 | 28790 | ||
HOT PRODUCTS